Глобальный производитель PCBA с большим ассортиментом и высокой скоростью
9:00–18:00, пн.–пт. (GMT+8)
9:00–12:00, сб. (GMT+8)
(Кроме китайских праздников)
Главная > Блог > Knowledge Base > What Is A Latching Relay? | Latching Vs Non-Latching Relays
Relays are very important components in modern electronic equipment and play a vital role in controlling electrical circuits. They work by opening and closing circuits in response to signals.
The latching relay can keep working after being energized, and it does not need to be powered on continuously. The working state will change only when an opposite signal is given. This makes it a highly energy efficient choice for some specific applications.
In this blog, we will deeply talk about the latching relay, including its features, types, working principles and the difference between a latching relay and a non-latching relay.
Traditional relays need to be powered all the time and will revert to their default state when power is cut off. The latching relay is an electromagnetic relay that can continue to work even after the power is disconnected. It can lock its contact position and keep it in a normally open or normally closed state until the change signal is received again. This feature of latching relays makes them useful in situations where the current circuit state needs to be maintained after a power outage.

From the working characteristics of the latching relay mentioned above, we know that compared with traditional relays, they have many advantages:
Energy Efficiency: Latching relays can keep working state after contact switching without constant power on, which makes them more energy-efficient than non-latching relays.
State Retention: The latching relay can maintain the working state even after power failure and is suitable for application scenarios that need to maintain the last state after power failure (such as the switch remains on or off).
Low Heat Generation: Since no continuous power supply is required, latching relays generate less heat, increasing the longevity of relays and other circuit components.
Reduced Wear and Tear: Frequent operation is not required, so the mechanical parts of the latching relay are subjected to less stress and have a longer service life.
At the same time, due to the working properties of the latching relay, it also has some shortcomings.
More Complex Control Circuits: The need for additional control mechanisms (like a pulse or dual-coil system) to toggle the relay can make the circuit design more complex compared to non-latching relays.
Potential for Accidental State Changes: In systems prone to electrical noise or unintended signals, the relay might switch states accidentally if not properly isolated or shielded.
There are several types of latching relays, each with unique characteristics that suit different applications. Some of the most common types include:
Magnetic Latching Relay: This type uses a magnetic field to hold the relay in its last position. Once activated by a pulse, the magnetic field keeps the relay in its state (either open or closed) until another pulse is applied.
Mechanical Latching Relay: A mechanical latching relay uses a mechanical locking mechanism that holds the relay in place once actuated. It requires a separate signal to release the lock and switch the state of the relay.
Dual Coil Relay: In a dual-coil relay, two coils are used to control the state of the relay. One coil sets the relay in one position (either open or closed), while the second coil resets it back to its original state.
Each of these relays operates differently, but the key advantage across all types is the ability to maintain their state without a constant power supply.
The working principle of the latching relay is actually very simple: when it receives an electrical signal, the switch inside will change the state, either opening or closing the circuit.
The key is that once the switch is activated, even if the power is disconnected, the relay can remain in this state and will not automatically return to the original position.
For example, in a magnetic latching relay, a pulse to the coil creates a magnetic field that moves the relay into its latched position. Even if the power is cut off, the magnetic field remains, keeping the relay in its current state. If you want to return it to its initial state, you just need to send a reverse signal, and it will switch back. It’s similar to pressing a switch—once pressed, it stays in that position until you press it again, and then it pops back.
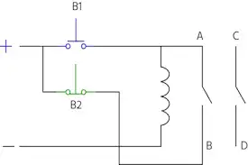
How does a latching relay work? This process can also be visualized in a latching relay wiring diagram, where the relay switches between states based on electrical impulses. Unlike traditional relays, where the return to the default position happens when power is removed, latching relays require a specific impulse to change states.
A latching relay wiring diagram
Latching relays are highly versatile and are used in various applications that require energy efficiency, state retention, or where constant actuation power isn't desirable. Common uses include:
Lighting Control: Latching relays are often used in lighting circuits where it's necessary to toggle lights on or off without holding the relay in one state continuously.
Home Automation: In smart homes, latching relays allow appliances to remain in their last position (on or off) even after a power failure.
Power Management Systems: Latching relays are used to manage power loads, particularly in systems where maintaining the current state after a power loss is crucial.
Security Systems: For applications where relays need to hold their state in the event of a power cut, such as door locks, alarms, or safety systems, latching relays are a reliable option.
Non-latching relays, also known as "momentary relays" or "non-locking relays," are relays that return to their default state when power is removed. Unlike latching relays, non-latching relays only stay in their energized position as long as power is supplied to the coil. Once the power is cut off, the relay immediately switches back to its original state.

Understanding the key differences between the two is essential for selecting the right type of relay for a specific purpose.
|
Feature |
Latching Relay |
Non-Latching Relay |
|
Power State Retention |
Maintains contact state (open or closed) after control power is removed |
Returns to default state (typically open) when power is removed |
|
Energy Efficiency |
More energy-efficient as they don't need continuous power |
Higher energy consumption due to continuous power requirement |
|
Control Mechanism |
Complex control design (e.g., impulse relays or toggle relays) |
Simpler control design |
|
Power Requirement |
No continuous power is required after switching |
Continuous power is required to maintain position |
|
Circuit Design |
More complex circuit design |
Simpler circuit design |
|
Applications |
Used in power management, home automation, where state retention is critical |
Used in motor control, applications requiring constant switching |
Latching relays are a highly efficient and versatile component in modern electrical systems. With their ability to retain their state without requiring constant power, they are invaluable in applications where energy efficiency and state retention are crucial.
Запрос на PCBA
Мгновенный расчёт




